全国威客小姐最新消息威客网接单平台 ,一品阁茶楼论坛官网入口 ,最新全国茶楼app免费的行情网站app软件合集,一凤一楼论坛官网

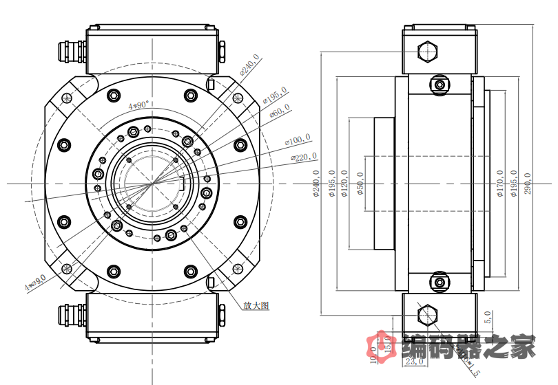
FGH6K-2048G-90G-NG-L2-J/50P,冶金热轧重载编码器定制替代解决方案(大通孔单输出增量式)

微信扫一扫,分享到朋友圈

FGH6K-2048G-90G-NG-L2-J/50P,冶金热轧重载编码器定制替代解决方案(大通孔单输出增量式)
展开阅读全文
+86 15050450799 Email:sividi365@gmail.com
上一篇

RSV1K24-1-1L1-1000,一款增量式防爆编码器的定制替代(EXDE68S10D1024A5-50R10ASS)

下一篇

861900134-2500,林德编码器特殊脉冲型号定制替代方案介绍(1041986-01)

你也可能喜欢

微信 微信
微信
返回顶部