这是一款BEI公司推出的方形增量编码器,型号:H25D-SS-5000-ABZC-28V/5-SM18。这款增量编码器用处也比较广泛,基本上每个月都几个咨询客户。众所周知,BEI公司的编码器现在采购也比较困难,很多经销商手里都没有货。
这个月已经有三个客户来咨询这个款产品了,由于没有原装,这里之介绍定制替代产品。实际上,在很早的时候我们就开发了定制替代产品。采用1:1的参数实现了完美平行替代。一直以为这是一个普通的编码器,所以并没有公开的说出来。今天,我们就详细的说明一下。

定制替代说明
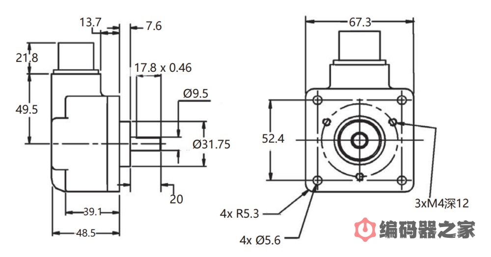
我们先来看一下这个编码器的尺寸,首先这是一个方形法兰,轴径是9.52mm。原件是用英寸标示的,3/8英寸。凸台部分是31.5mm。脉冲数为:5000,这是一个比较高的脉冲。
我们先来看看我们对应的尺寸参数:

通过这个尺寸图纸我们可以看到这是1:1的安装尺寸,完全平替的应用参数。
一句话说明:我们有完整的定制替代解决方案。这些年,这个产品做过不少的替代应用。对于我们来讲,基本上算是一个标准产品了。
定制周期与流程
这款编码器的替代方案我们基本上会有些物料储存,平时大约都是7天左右就可以出货。具体还要看我们的排单情况。
这个产品的定制流程,直接发型号确认即可。有些老旧型号找不到说明书的,根据应用参数沟通确认。就这么些注意事项,其他没有需要做说明的地方了。在使用上是平行替代,不需要做过多的设置。
关于型号H25D-SS-5000-ABZC-28V/5-SM18编码器替代方案就介绍这么多吧。本身也没有多需要说明的地方,作为增量编码器就这么些参数,总体来讲不复杂,算是比较容易实现的一个编码器方案。
有需要这款编码器的,欢迎联系我们协助解决应用问题。